ワルタージャパン(株)

HSS-E-PM マシンタップ A222079-STIUNC6 廃番

  • 型番:A222079-STIUNC6
  • 発注コード:BCYDN
  • メーカー商品コード:5934234
  • JANコード:4042446202248
商品一覧へ
(サイズ・色違いなど)

仕切価格
標準価格 ¥3,340
 
注文単位 1個
  • ※4/29 23:20 時点の情報です


用途
商品説明
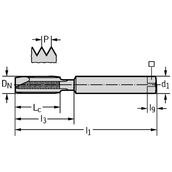
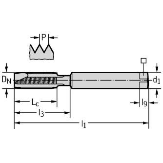
商品スペック
  • 接続直径(inch):0.194
  • 有効長(inch):2.378
  • 駆動スクウェア長さ(inch):0.25
  • 使用可能長さ(inch):0.709
  • 溝数:3
  • 工具型番:A222079-STIUNC6
  • ねじサイズ(inch):0.179
  • ねじサイズ:EGUNC #6-32
  • スレッドの長さ(inch):0.709
  • クランプ幅(inch):0.152
注意事項
内容品・付属品
原産国
特記事項

この商品を見た人はこちらの商品も見ています