ワルタージャパン(株)

HSS-E-PM マシンタップ A2220760-UNC5/16 廃番

後継品
  • 型番:A2220760-UNC5/16
  • 発注コード:BCYCY
  • メーカー商品コード:5934182
  • JANコード:4042446201722
商品一覧へ
(サイズ・色違いなど)

仕切価格
標準価格 ¥4,300
 
注文単位 1個
  • ※4/29 23:20 時点の情報です


用途
商品説明
商品スペック
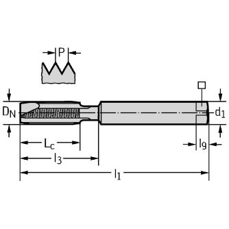
  • 接続直径(inch):0.318
  • 有効長(inch):2.717
  • 駆動スクウェア長さ(inch):0.38
  • 使用可能長さ(inch):1.299
  • 溝数:3
  • 工具型番:A2220760-UNC5/16
  • ねじサイズ(inch):0.313
  • ねじサイズ:UNC 5/16-18
  • スレッドの長さ(inch):0.748
  • クランプ幅(inch):0.238
注意事項
内容品・付属品
原産国
特記事項

この商品を見た人はこちらの商品も見ています