ワルタージャパン(株)

HSS-E マシンタップ 7456770-G3/4

  • 型番:7456770-G3/4
  • 発注コード:BCYCH
  • メーカー商品コード:5200940
  • JANコード:4042446161842
商品一覧へ
(サイズ・色違いなど)

仕切価格
標準価格 ¥31,200
 
注文単位 1個
  • ※4/29 23:20 時点の情報です

※5/1に下記価格に改定予定です

仕切価格
標準価格 ¥32,300

用途
商品説明
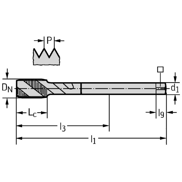
商品スペック
  • 接続直径(mm):20
  • 有効長(mm):140
  • 駆動スクウェア長さ(mm):19
  • 使用可能長さ(mm):77
  • 溝数:5
  • ねじサイズ(mm):26.441
  • ねじサイズ:G 3/4-14
  • スレッドの長さ(mm):20
  • TPI:14
  • クランプ幅(mm):16
  • 被削材:P(鋼◎)/K(鋳鉄○)/N(非鉄金属○)
注意事項
内容品・付属品
原産国
特記事項

この商品を見た人はこちらの商品も見ています