ワルタージャパン(株)

HSS-E マシンタップ 7056770-M33

  • 型番:7056770-M33
  • 発注コード:BCYAE
  • メーカー商品コード:5200775
  • JANコード:4042446159504
商品一覧へ
(サイズ・色違いなど)

仕切価格
標準価格 ¥60,400
 
注文単位 1個
  • ※4/29 23:20 時点の情報です

※5/1に下記価格に改定予定です

仕切価格
標準価格 ¥62,600

用途
商品説明
商品スペック
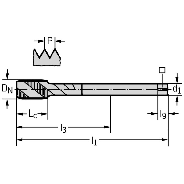
  • 接続直径(mm):25
  • 有効長(mm):180
  • 駆動スクウェア長さ(mm):23
  • 使用可能長さ(mm):113
  • 溝数:4
  • ねじサイズ:M33
  • スレッドの長さ(mm):35
  • ねじピッチ(mm):3.5
  • クランプ幅(mm):20
  • 被削材:P(鋼◎)/K(鋳鉄○)/N(非鉄金属○)
注意事項
内容品・付属品
原産国
特記事項

この商品を見た人はこちらの商品も見ています