ワルタージャパン(株)

HSS-E ハンドタップセット 30063-M3

  • 型番:30063-M3
  • 発注コード:BCXXB
  • メーカー商品コード:5079126
  • JANコード:4042446036409
商品一覧へ
(サイズ・色違いなど)

仕切価格
標準価格 ¥11,100
 
注文単位 1個
  • ※4/29 23:20 時点の情報です

※5/1に下記価格に改定予定です

仕切価格
標準価格 ¥11,600

用途
商品説明
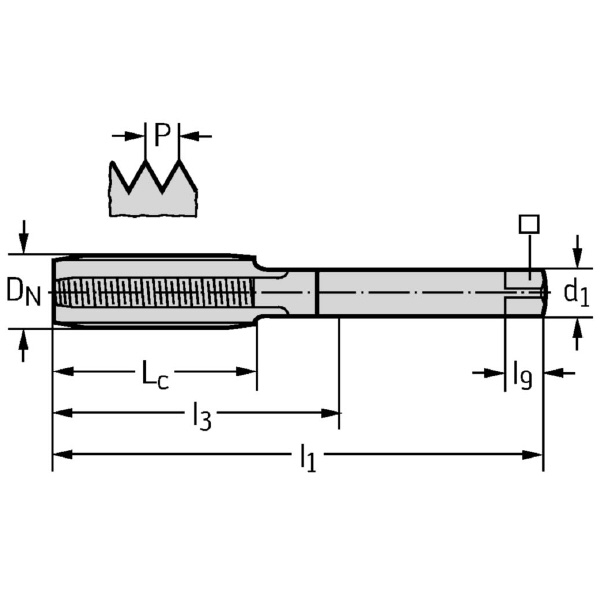
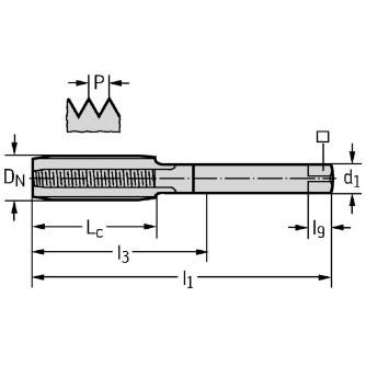
商品スペック
  • 接続直径(mm):3.5
  • 有効長(mm):40
  • 駆動スクウェア長さ(mm):6
  • 使用可能長さ(mm):7.8
  • 溝数:3
  • ねじサイズ:M3
  • スレッドの長さ(mm):9
  • ねじピッチ(mm):0.5
  • クランプ幅(mm):2.7
  • 被削材:P(鋼○)/M(ステンレス鋼○)
注意事項
内容品・付属品
原産国
特記事項

この商品を見た人はこちらの商品も見ています