ワルタージャパン(株)

HSS-E ハンドタップセット 30063-M24

  • 型番:30063-M24
  • 発注コード:BCXXA
  • メーカー商品コード:5079137
  • JANコード:4042446036515
商品一覧へ
(サイズ・色違いなど)

仕切価格
標準価格 ¥74,700
 
注文単位 1個
  • ※4/29 23:20 時点の情報です

※5/1に下記価格に改定予定です

仕切価格
標準価格 ¥77,600

用途
商品説明
商品スペック
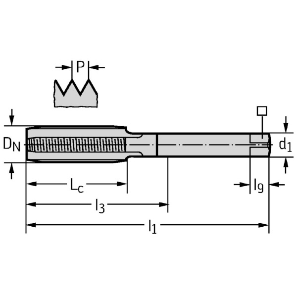
  • 接続直径(mm):18
  • 有効長(mm):110
  • 駆動スクウェア長さ(mm):17
  • 使用可能長さ(mm):26.5
  • 溝数:4
  • ねじサイズ:M24
  • スレッドの長さ(mm):34
  • ねじピッチ(mm):3
  • クランプ幅(mm):14.5
  • 被削材:P(鋼○)/M(ステンレス鋼○)
注意事項
内容品・付属品
原産国
特記事項

この商品を見た人はこちらの商品も見ています