おすすめキーワード
キーワードランキング
検索履歴
カテゴリー
メーカー
該当する販売店・事業所はありません
1~10件
※11/02 23:20 時点の情報です
※1/1に下記価格に改定予定です
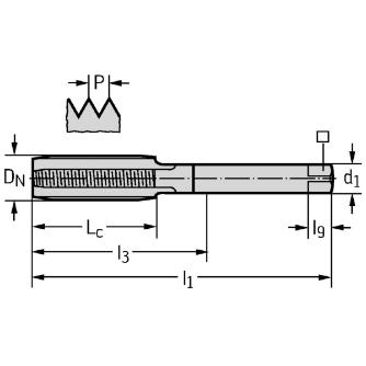
HSSーE ナットタップ 20890
ワルタージャパン(株)
HSSーE ハンドタップセット 30063
マシンツールフィルター(工作機械の制御盤用)詰替用(110枚入) GLF
(株)エスティジェイ
スーパーG1チャック BT40
ユキワ精工(株)
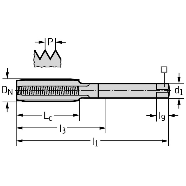
HSSーE マシンタップ 2084805
マシンツールフィルターBLF(コンプレッサー、オイルクーラー用)(60枚入) BLF
マニュアルローラー(フィルター手動巻き取り装置) MR
ホルダ台 MB
カネテック(株)
詰替用マシンツールフィルター WGLF
マシンツールフィルター(工作機械の制御盤用)(110枚入) GLF
マグネットベース MB
ドリルチャックテーパ型(JT6)
ドリルチャックネジ型 3/8ー24UNF
ハイパーブラック
(株)レヂトン
NKコレット NK
(株)日研工作所
ブレスグリップ NO380
ショーワグローブ(株)
ラウンドモーターフィルター(10枚入) RMF
青ニス除去剤
(株)イチネンケミカルズ
耐油ビニローブ NO650
マシンツールフィルター(コンプレッサー、オイルクーラー用)詰替用(60枚入) BLF
ログインを行ってください。
該当する商品の在庫はありません。
フォルダ新規作成
エラーメッセージエラーメッセージエラーメッセージエラーメッセージ
フォルダ選択
お気に入り登録しました
該当するユーザーはありません。