おすすめキーワード
キーワードランキング
検索履歴
カテゴリー
メーカー
該当する販売店・事業所はありません
1~10件
※4/29 23:20 時点の情報です
※5/1に下記価格に改定予定です
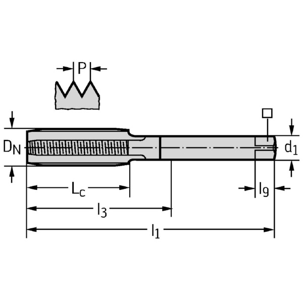
HSSーE タップ(ショート) 27160
ワルタージャパン(株)
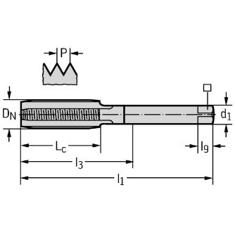
HSSーE タップ(ショート) 20160
HSSーE タップ(ショート) 24195
HSSーE タップ(ショート) 20165
HSSーE マシンタップ 2084805
HSSーE ナットタップ 20890
HSSーE ハンドタップセット 30016
HSSーE ハンドタップセット 30063
HSSーE タップ(ショート) 20167
旋削ホルダー リジットクランプ C8
超硬ラジアスエンドミル H2038217
ConeFitアダプター AK610
HSSーEーPM マシンタップ K2031407
ウェルドンアダプター AK170
ウェルドンアダプター A170
アダプターおよびクランプユニット A150M
ウェルドンアダプター A560
アダプターおよびクランプユニット A170M
ConeFitアダプター AK681
ConeFitアダプター AK631
ログインを行ってください。
該当する商品の在庫はありません。
フォルダ新規作成
エラーメッセージエラーメッセージエラーメッセージエラーメッセージ
フォルダ選択
お気に入り登録しました
該当するユーザーはありません。