ワルタージャパン(株)

HSS-E タップ(ショート) 24165-G1

  • 型番:24165-G1
  • 発注コード:BCXQS
  • メーカー商品コード:5078777
  • JANコード:4042446032609
商品一覧へ
(サイズ・色違いなど)

仕切価格
標準価格 ¥32,200
 
注文単位 1個
  • ※4/29 23:20 時点の情報です

※5/1に下記価格に改定予定です

仕切価格
標準価格 ¥33,400

用途
商品説明
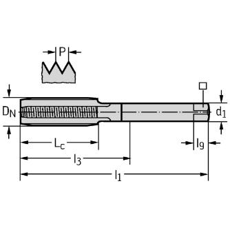
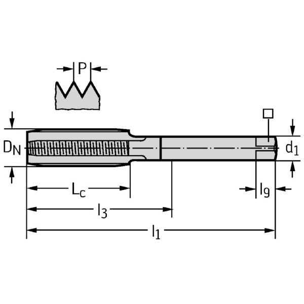
商品スペック
  • 接続直径(mm):25
  • 有効長(mm):100
  • 駆動スクウェア長さ(mm):23
  • 使用可能長さ(mm):33
  • 溝数:6
  • ねじサイズ(mm):33.249
  • ねじサイズ:G 1"-11
  • スレッドの長さ(mm):25
  • TPI:11
  • クランプ幅(mm):20
  • 被削材:N(非鉄金属◎)/O(その他○)
注意事項
内容品・付属品
原産国
特記事項

この商品を見た人はこちらの商品も見ています