ワルタージャパン(株)

HSS-E-PM マシンタップ 2340663-UNJF10

  • 型番:2340663-UNJF10
  • 発注コード:BCXNW
  • メーカー商品コード:5344188
  • JANコード:4042446178048
商品一覧へ
(サイズ・色違いなど)

仕切価格
標準価格 ¥11,400
 
注文単位 1個
  • ※4/29 23:20 時点の情報です

※5/1に下記価格に改定予定です

仕切価格
標準価格 ¥11,800

用途 ●加工深さ最大2 ×DN●引張強度700N/mm2以上のチタン合金におけるエマルションでの加工用途に専用開発●止まり穴切削タップ Paradur(R) Ti Plus
商品説明
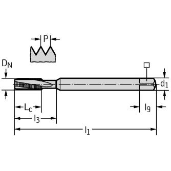
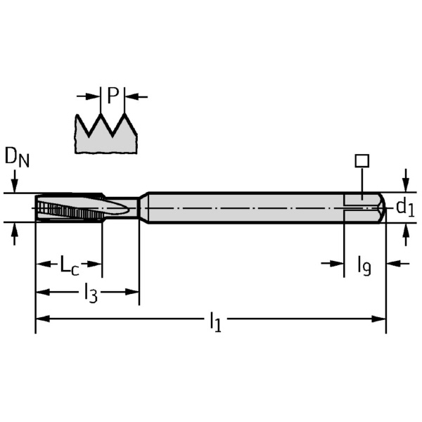
商品スペック
  • 接続直径(mm):6
  • 有効長(mm):70
  • 駆動スクウェア長さ(mm):8
  • 使用可能長さ(mm):16
  • 溝数:3
  • ねじサイズ(mm):4.826
  • ねじサイズ:UNJF #10-32
  • スレッドの長さ(mm):16
  • クランプ幅(mm):4.9
  • 被削材:S(難削材◎)
注意事項
内容品・付属品
原産国
特記事項

この商品を見た人はこちらの商品も見ています