ワルタージャパン(株)

HSS-E-PM マシンタップ 23207-UNF1/4

  • 型番:23207-UNF1/4
  • 発注コード:BCXMI
  • メーカー商品コード:5078420
  • JANコード:4042446028954
商品一覧へ
(サイズ・色違いなど)

仕切価格
標準価格 ¥10,200
 
注文単位 1個
  • ※4/30 23:30 時点の情報です


用途
商品説明
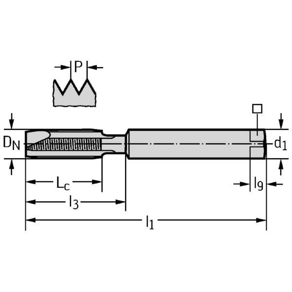
商品スペック
  • 接続直径(mm):7
  • 有効長(mm):80
  • 駆動スクウェア長さ(mm):8
  • 使用可能長さ(mm):25
  • 溝数:3
  • ねじサイズ(mm):6.35
  • ねじサイズ:UNF 1/4-28
  • スレッドの長さ(mm):15
  • クランプ幅(mm):5.5
  • 被削材:P(鋼◎)/M(ステンレス鋼◎)/N(非鉄金属○)/S(難削材◎)
注意事項
内容品・付属品
原産国
特記事項

この商品を見た人はこちらの商品も見ています