ワルタージャパン(株)

HSS-E-PM マシンタップ 224101-UNJC5/16

  • 型番:224101-UNJC5/16
  • 発注コード:BCXJB
  • メーカー商品コード:5078172
  • JANコード:4042446026523
商品一覧へ
(サイズ・色違いなど)

仕切価格
標準価格 ¥16,100
 
注文単位 1個
  • ※4/29 23:20 時点の情報です

※5/1に下記価格に改定予定です

仕切価格
標準価格 ¥16,700

用途 ●難削材(引張強度 1450N/mm2程度のねばく硬いニッケル合金など)●高強度(1200-1600 N/mm2)鉄系ワーク●加工深さ最大1.5×DN●止まり穴切削タップ Paradur(R) Ni 10
商品説明
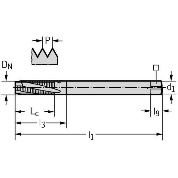
商品スペック
  • 接続直径(mm):8
  • 有効長(mm):90
  • 駆動スクウェア長さ(mm):9
  • 使用可能長さ(mm):21
  • 溝数:3
  • ねじサイズ(mm):7.938
  • ねじサイズ:UNJC 5/16-18
  • スレッドの長さ(mm):21
  • クランプ幅(mm):6.2
  • 被削材:P(鋼◎)/N(非鉄金属○)/S(難削材◎)
注意事項
内容品・付属品
原産国
特記事項

この商品を見た人はこちらの商品も見ています