ワルタージャパン(株)

HSS-E-PM マシンタップ 2221706-UNC6

  • 型番:2221706-UNC6
  • 発注コード:BCXHO
  • メーカー商品コード:7511568
  • JANコード:4042446294182
商品一覧へ
(サイズ・色違いなど)

仕切価格
標準価格 ¥8,550
 
注文単位 1個
  • ※4/29 23:20 時点の情報です

※5/1に下記価格に改定予定です

仕切価格
標準価格 ¥8,870

用途
商品説明
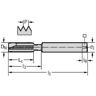
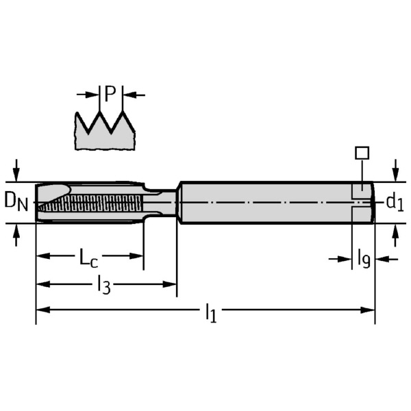
商品スペック
  • 接続直径(mm):4
  • 有効長(mm):56
  • 駆動スクウェア長さ(mm):6
  • 使用可能長さ(mm):12
  • 溝数:3
  • ねじサイズ(mm):3.505
  • ねじサイズ:UNC #6-32
  • スレッドの長さ(mm):12
  • クランプ幅(mm):3
  • 被削材:P(鋼◎)/M(ステンレス鋼◎)/N(非鉄金属○)/S(難削材◎)
注意事項
内容品・付属品
原産国
特記事項

この商品を見た人はこちらの商品も見ています