ワルタージャパン(株)

HSS-E-PM マシンタップ 2220706-UNC8

  • 型番:2220706-UNC8
  • 発注コード:BCXGU
  • メーカー商品コード:7511557
  • JANコード:4042446294076
商品一覧へ
(サイズ・色違いなど)

仕切価格
標準価格 ¥8,790
 
注文単位 1個
  • ※4/29 23:20 時点の情報です

※5/1に下記価格に改定予定です

仕切価格
標準価格 ¥9,120

用途
商品説明
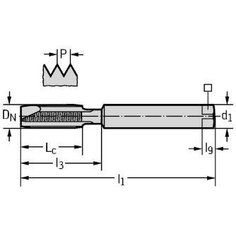
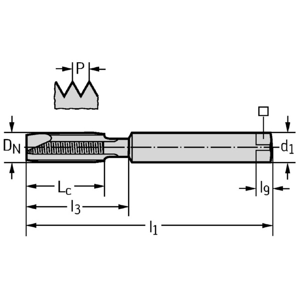
商品スペック
  • 接続直径(mm):4.5
  • 有効長(mm):63
  • 駆動スクウェア長さ(mm):6
  • 使用可能長さ(mm):13
  • 溝数:3
  • ねじサイズ(mm):4.166
  • ねじサイズ:UNC #8-32
  • スレッドの長さ(mm):13
  • クランプ幅(mm):3.4
  • 被削材:P(鋼◎)/M(ステンレス鋼◎)/N(非鉄金属○)/S(難削材◎)
注意事項
内容品・付属品
原産国
特記事項

この商品を見た人はこちらの商品も見ています