ワルタージャパン(株)

HSS-E マシンタップ 21361-M15X1.5

  • 型番:21361-M15X1.5
  • 発注コード:BCWZE
  • メーカー商品コード:5077452
  • JANコード:4042446019488
商品一覧へ
(サイズ・色違いなど)

仕切価格
標準価格 ¥12,000
 
注文単位 1個
  • ※4/29 23:20 時点の情報です

※5/1に下記価格に改定予定です

仕切価格
標準価格 ¥12,400

用途
商品説明
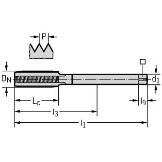
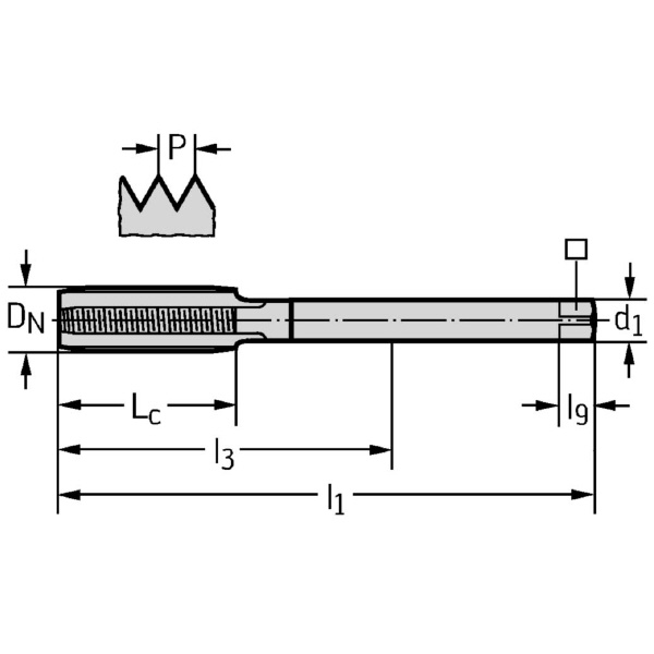
商品スペック
  • 接続直径(mm):12
  • 有効長(mm):100
  • 駆動スクウェア長さ(mm):12
  • 使用可能長さ(mm):58
  • 溝数:4
  • ねじサイズ:MF 15×1.5
  • スレッドの長さ(mm):21
  • ねじピッチ(mm):1.5
  • クランプ幅(mm):9
  • 被削材:K(鋳鉄○)/N(非鉄金属◎)/O(その他○)
注意事項
内容品・付属品
原産国
特記事項

この商品を見た人はこちらの商品も見ています