ワルタージャパン(株)

HSS-E マシンタップ 21361-M10X1

  • 型番:21361-M10X1
  • 発注コード:BCWYT
  • メーカー商品コード:5077441
  • JANコード:4042446019372
商品一覧へ
(サイズ・色違いなど)

仕切価格
標準価格 ¥6,710
 
注文単位 1個
  • ※4/29 23:20 時点の情報です

※5/1に下記価格に改定予定です

仕切価格
標準価格 ¥6,960

用途
商品説明
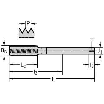
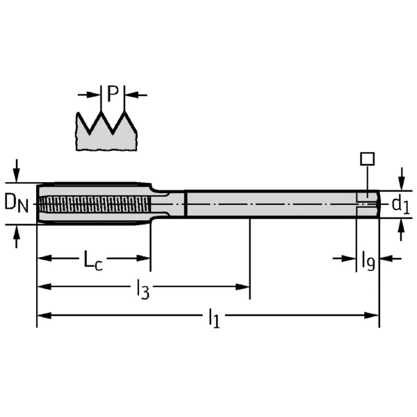
商品スペック
  • 接続直径(mm):7
  • 有効長(mm):90
  • 駆動スクウェア長さ(mm):8
  • 使用可能長さ(mm):67
  • 溝数:3
  • ねじサイズ:MF 10×1
  • スレッドの長さ(mm):20
  • ねじピッチ(mm):1
  • クランプ幅(mm):5.5
  • 被削材:K(鋳鉄○)/N(非鉄金属◎)/O(その他○)
注意事項
内容品・付属品
原産国
特記事項

この商品を見た人はこちらの商品も見ています