ワルタージャパン(株)

HSS-E-PM マシンタップ 202161-M2.5

  • 型番:202161-M2.5
  • 発注コード:BCWJS
  • メーカー商品コード:5075927
  • JANコード:4042446004811
商品一覧へ
(サイズ・色違いなど)

仕切価格
標準価格 ¥6,200
 
注文単位 1個
  • ※4/29 23:20 時点の情報です

※5/1に下記価格に改定予定です

仕切価格
標準価格 ¥6,430

用途
商品説明
商品スペック
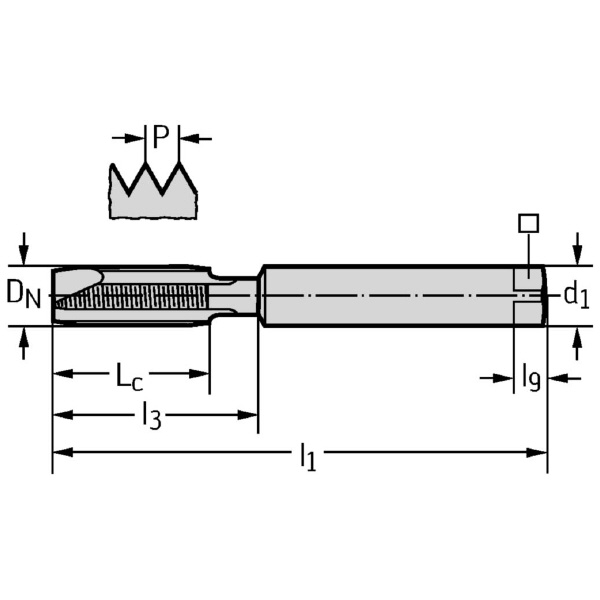
  • 接続直径(mm):2.8
  • 有効長(mm):50
  • 駆動スクウェア長さ(mm):5
  • 使用可能長さ(mm):9
  • 溝数:2
  • ねじサイズ:M2.5
  • スレッドの長さ(mm):9
  • ねじピッチ(mm):0.45
  • クランプ幅(mm):2.1
  • 被削材:P(鋼◎)/M(ステンレス鋼◎)/N(非鉄金属○)/S(難削材◎)
注意事項
内容品・付属品
原産国
特記事項

この商品を見た人はこちらの商品も見ています