ワルタージャパン(株)

HSS-E-PM マシンタップ 202161-M1.2

  • 型番:202161-M1.2
  • 発注コード:BCWJL
  • メーカー商品コード:5200306
  • JANコード:4042446154349
商品一覧へ
(サイズ・色違いなど)

仕切価格
標準価格 ¥9,060
 
注文単位 1個
  • ※4/29 23:20 時点の情報です

※5/1に下記価格に改定予定です

仕切価格
標準価格 ¥9,400

用途
商品説明
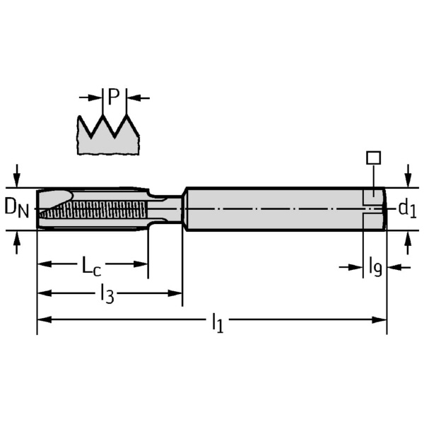
商品スペック
  • 接続直径(mm):2.5
  • 有効長(mm):40
  • 駆動スクウェア長さ(mm):5
  • 使用可能長さ(mm):5
  • 溝数:2
  • ねじサイズ:M1.2
  • スレッドの長さ(mm):5
  • ねじピッチ(mm):0.25
  • クランプ幅(mm):2.1
  • 被削材:P(鋼◎)/M(ステンレス鋼◎)/N(非鉄金属○)/S(難削材◎)
注意事項
内容品・付属品
原産国
特記事項

この商品を見た人はこちらの商品も見ています