おすすめキーワード
キーワードランキング
検索履歴
カテゴリー
メーカー
該当する販売店・事業所はありません
1~10件
※11/03 23:20 時点の情報です
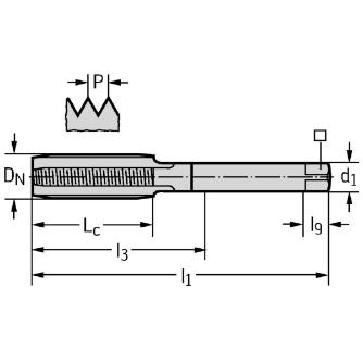
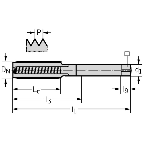
HSSーE タップ(ショート) 20160
ワルタージャパン(株)
HSSーE タップ(ショート) 24165
HSSーE タップ(ショート) 27160
HSSーE タップ(ショート) 24195
HSSーE マシンタップ 2084805
HSSーE ハンドタップセット 30016
HSSーE ナットタップ 20890
HSSーE ハンドタップセット 30063
HSSーE タップ(ショート) 20167
ConeFitアダプター AK610
ConeFitアダプター AK631
ConeFitアダプター AK681
超硬ラジアスエンドミル H2038217
旋削ホルダー リジットクランプ C8
ウェルドンアダプター AK170
ウェルドンアダプター A170
ウェルドンアダプター A560
アダプターおよびクランプユニット A170M
HSSーEーPM マシンタップ K2031407
アダプターおよびクランプユニット AK155M
ログインを行ってください。
該当する商品の在庫はありません。
フォルダ新規作成
エラーメッセージエラーメッセージエラーメッセージエラーメッセージ
フォルダ選択
お気に入り登録しました
該当するユーザーはありません。