ダイキン工業(株)

方向制御弁Ⅰ電磁パイロット切換弁 JSP-G03-2CN-40-X

  • 型番:JSP-G03-2CN-40-X
  • 発注コード:BCSNW
  • メーカー商品コード:JSP-G03-2CN-40-X
  • JANコード:―
商品一覧へ
(サイズ・色違いなど)

仕切価格
標準価格 ¥128,000
 
注文単位 1台
  • ※3/15 23:20 時点の情報です


用途
商品説明
  • ショックレススプールの採用により、負荷のスムーズな反転および停止が可能です。
  • IEC Pub529 IP65に準拠した防塵・防水構造に加え、欧州安全規格(CE)対応用機器として最適です。
商品スペック
  • 種類:Jシリーズ電磁パイロット切換弁
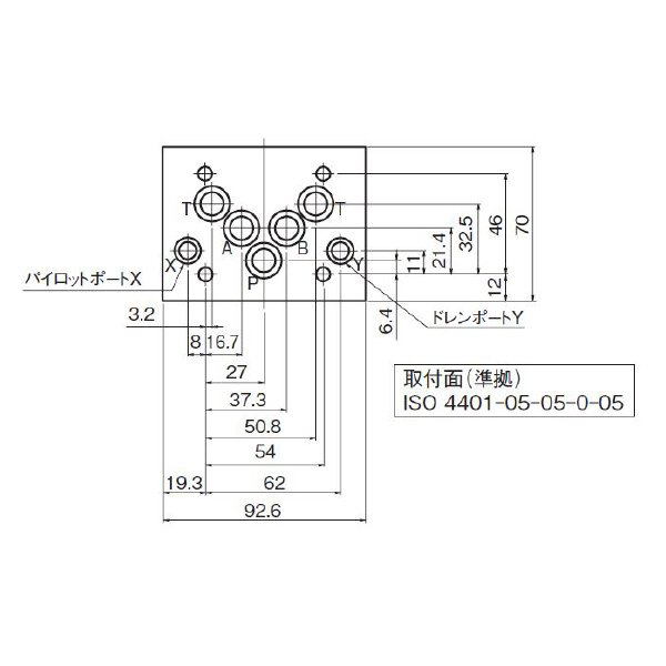
  • 接続方法:ガスケット取付形
  • 呼び径:3/8
  • 適合流体:石油系作動油
  • スプール作動方式:スプリングセンタ形
  • スプール形式:[2]モデル表参照
  • 電圧記号:[N]電圧記号表参照
  • オプション記号(JSP):[X]オプション記号表参照
  • オプション記号(KSO):[無記号]オプション記号表参照
  • デザイン番号:40
注意事項
  • ドレン配管は、他のタンク配管と合流せず、直接タンクへ接続してください。
内容品・付属品 ●六角穴付ボルト(M6×35)×4
原産国
特記事項

この商品を見た人はこちらの商品も見ています