ダイキン工業(株)

方向制御弁Ⅰ電磁パイロット切換弁 JS-G06-4BA-75

  • 型番:JS-G06-4BA-75
  • 発注コード:BCSLA
  • メーカー商品コード:JS-G06-4BA-75
  • JANコード:―
商品一覧へ
(サイズ・色違いなど)

仕切価格
標準価格 ¥147,000
 
注文単位 1台
  • ※3/15 23:20 時点の情報です


用途
商品説明
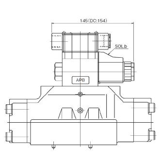
  • パイロット弁に信頼性の高いKSO-G02を採用していますので、長寿命で、確実な作動が得られます。
商品スペック
  • 種類:Jシリーズ電磁パイロット切換弁
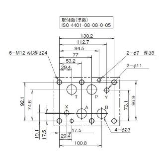
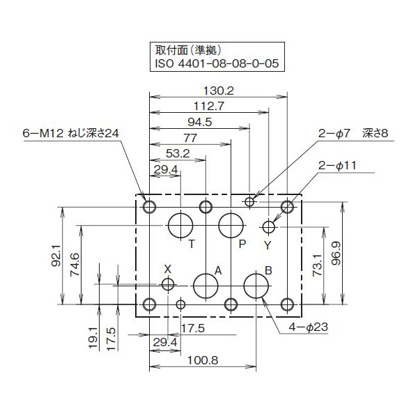
  • 接続方法:ガスケット取付形
  • 呼び径:3/4
  • 適合流体:石油系作動油
  • スプール作動方式:スプリングオフセット形(SOL.b付)
  • スプール形式:[4]モデル表参照
  • 電圧記号:[A]電圧記号表参照
  • オプション記号(JS):[無記号]オプション記号表参照
  • オプション記号(KSO):[無記号]オプション記号表参照
  • デザイン番号:[呼び径]06(3/4)【21MPa{210kgf/cm2}シリーズの場合】
注意事項
  • サブプレートは付属しません。
  • ドレン配管は、他のタンク配管と合流せず、直接タンクへ接続してください。
内容品・付属品 ●六角穴付ボルト(M12×60)×6
原産国
特記事項

この商品を見た人はこちらの商品も見ています