ダイキン工業(株)

圧力制御弁電磁弁付リリーフ弁 JRSS-G03-1-BA-50-N

  • 型番:JRSS-G03-1-BA-50-N
  • 発注コード:BCRRA
  • メーカー商品コード:JRSS-G03-1-BA-50-N
  • JANコード:―
商品一覧へ
(サイズ・色違いなど)

仕切価格
標準価格 ¥159,000
 
注文単位 1台
  • ※5/14 23:30 時点の情報です


用途
商品説明
  • 騒音特性を向上させた低騒音形です。
  • 電磁操作弁の切り換えによって、回路のアンロード、及び2圧、3圧制御が可能です。
  • 広範囲の流量域で安定した圧力制御を行います。
商品スペック
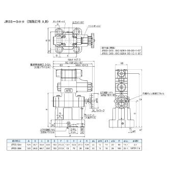
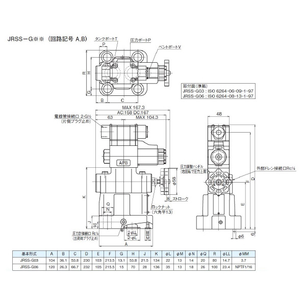
  • 種類:Jシリーズ電磁操作弁付リリーフ弁(低騒音形)
  • 接続方法:ガスケット取付形
  • 呼び径:3/8
  • 適合流体:石油系作動油
  • オプション:圧力調整ハンドル形
  • デザイン番号:50
  • ドレン:内部ドレン形
  • パイロット電磁操作弁オプション記号:[N]KSOオプション記号表参照
  • ベント:ローベント形
  • 圧力調整範囲(MPa{kgf/cm2}):※~7{※~70}
  • 回路:1圧制御(消磁時アンロード/ノーマルオープン形)
  • 電磁操作弁電圧(V):AC100(50/60Hz)・AC110(60Hz)
注意事項
  • タンク配管は、他のタンク配管と合流せず、直接タンクへ接続してください。なお、タンクポートの背圧は0.5MPa{5kgf/cm2}以下にしてください。
  • リモートコントロール用直動形リリーフ弁と組み合わせて使用する場合は、ベントポートに接続してください。この場合、ベント管路の内部容積が大きすぎると振動を起こすことがありますので、内径4mm以下の厚肉鋼管で配管してください。
  • 安全弁として使用する場合は、回路の設定圧力より1~1.5MPa{10~15kgf/cm2}高く設定してください。
  • 小流量の場合は、設定圧力が不安定になる場合がありますので、5L/min以上で使用してください。
内容品・付属品 ●六角穴付ボルト(M12×40)×4
原産国
特記事項

この商品を見た人はこちらの商品も見ています