ダイキン工業(株)

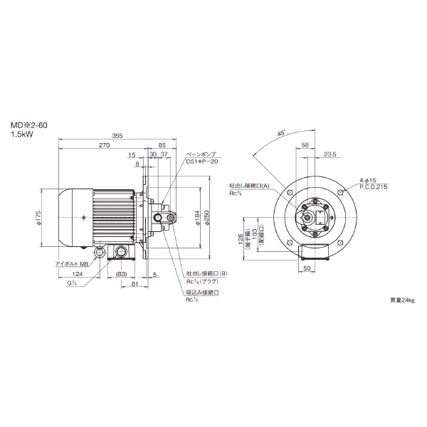
ベーンポンプモータポンプ MD22-60

  • 型番:MD22-60
  • 発注コード:BCROQ
  • メーカー商品コード:MD22-60
  • JANコード:―
商品一覧へ
(サイズ・色違いなど)

仕切価格
標準価格 ¥214,000
 
注文単位 1台
  • ※3/21 23:20 時点の情報です


用途
商品説明
  • DS10P形ベーンポンプと電動機を一体にしたモータポンプです。
  • 直結方式のため、カップリング、保護カバー、ポンプベース、心出しが不要となり、ワンタッチで組付ができます。
商品スペック
  • 適用流体:石油系作動油、水・グリコール系作動油、W/Oエマルション系作動油
  • 仕様:小型単段モータポンプ
  • ポンプ容量形式:DS12P
  • 電動機出力(kW):1.5
  • 極数(P):4
  • デザイン番号:60
注意事項
  • アース配線は必ず結線してください。
  • 元電源にはノーヒューズブレーカをつけてください。また、漏電遮断器をつけてください。
内容品・付属品
原産国
特記事項

この商品を見た人はこちらの商品も見ています