住友電気工業(株)

SEC-ウェーブラジアスミル カッタ RSXF12080R

  • 型番:RSXF12080R
  • 発注コード:AM945
  • メーカー商品コード:2200ALK
  • JANコード:―
商品一覧へ
(サイズ・色違いなど)

仕切価格
標準価格 \92,400
 
注文単位 1個
  • ※12/16 23:30 時点の情報です

※1/1に下記価格に改定予定です

仕切価格
標準価格 \97,000

用途 ●金型の彫り込み加工、傾斜加工、ヘリカル加工など、多様な加工を高能率に行うことができます●ラジアス用
商品説明
商品スペック
  • 商品タイプ:エクストラファインピッチ
  • 規格:インチ
  • 型式記号:RSX
  • 内接円IC(mm):12.7
  • インサート内接円サイズ記号:12
  • 勝手[記号]:右[R]
  • カッタ径記号:080
  • すくい角(°):-5(半径方向)・10(軸方向)
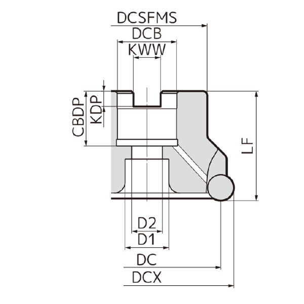
  • ボスDCSFMS(mm):55
  • ボルトD1(mm):20
  • ボルトD2(mm):13
  • 穴径DCB(mm):25.4
  • 溝深さKDP(mm):6.0
  • 溝幅KWW(mm):9.5
  • 最大切込み量(mm):6
  • 取付深さCBDP(mm):25
  • 刃径(mm):68
  • 最大刃径DCX(mm):80
  • 刃数(枚):7
  • 高さLF(mm):50
  • 付加記号:F
  • 重量(kg):1
  • 適用インサート:RDET 1204M0EN-□
  • 適用加工:溝削り○/彫り込み◎/平面汎用◎/倣い◎
  • 被削材:P(一般鋼◎/炭素鋼◎/合金鋼◎/調質鋼・ダイス鋼◎)・M(ステンレス鋼◎)・K(鋳鉄◎/ダクタイル鋳鉄◎)・S(Ti合金◎/耐熱合金◎)
  • エンドミル適用加工:ヘリカル◎/隅削り◎/傾斜◎/溝◎/平面◎/倣い◎
  • Fig:1
注意事項
  • 本体にインサートは組み込んでありません。
  • カッタを選択する際、保持具取付サイズ(DCB)をご確認ください。
  • 本体のアーバへの締付けには、JIS B1176「六角穴付きボルト」(M12×30~35mm)をご使用ください。
内容品・付属品 ●レンチ:TRDR15IP●皿ねじ:BFTX0409IP(3.0N・m)●焼付防止剤:SUMI-P
原産国
特記事項

この商品を見た人はこちらの商品も見ています