住友電気工業(株)

SEC-ウェーブラジアスミル カッタ RSXF10050RS

  • 型番:RSXF10050RS
  • 発注コード:AM927
  • メーカー商品コード:2200AKQ
  • JANコード:―
商品一覧へ
(サイズ・色違いなど)

仕切価格
標準価格 \71,300
 
注文単位 1個
  • ※12/18 23:30 時点の情報です

※1/1に下記価格に改定予定です

仕切価格
標準価格 \74,900

用途 ●金型の彫り込み加工、傾斜加工、ヘリカル加工など、多様な加工を高能率に行うことができます●ラジアス用
商品説明
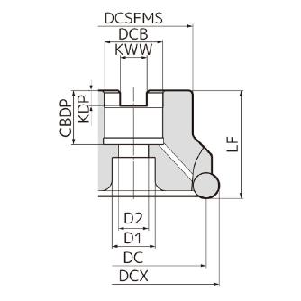
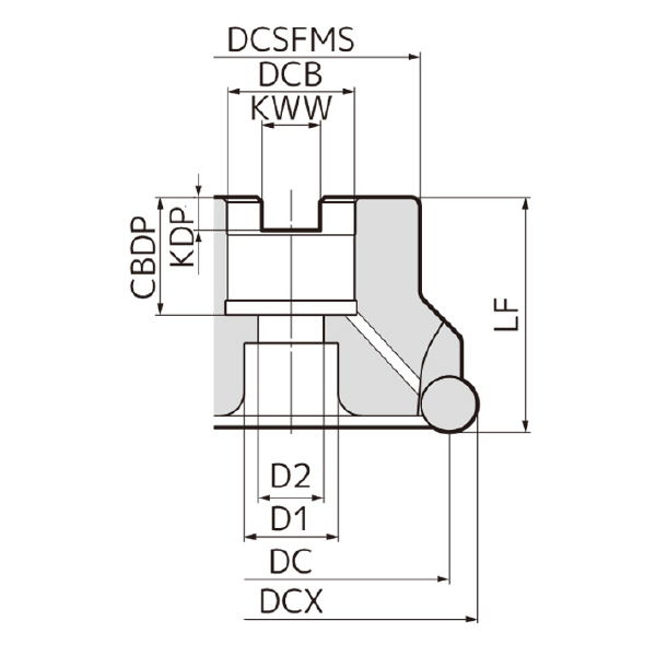
商品スペック
  • 商品タイプ:エクストラファインピッチ
  • 規格:メトリック
  • 型式記号:RSX
  • インサートサイズ:10
  • 勝手[記号]:右[R]
  • すくい角(°):-5(半径方向)・10(軸方向)
  • ボスDCSFMS(mm):40
  • ボルトD1(mm):18
  • ボルトD2(mm):11
  • 穴径DCB(mm):22
  • 溝深さKDP(mm):6.3
  • 溝幅KWW(mm):10.4
  • 最大切込み量(mm):5
  • 取付け方式記号:S
  • 取付深さCBDP(mm):20
  • 刃径(mm):40
  • 最大刃径DCX(mm):50
  • 刃数(枚):6
  • 高さLF(mm):40
  • 付加記号:F
  • 重量(kg):0.3
  • 適用インサート:RDET 10T3MOEN-□
  • 適用加工:傾斜◎/肩削り◎/溝削り○/彫り込み◎/平面高送り○/平面汎用◎/倣い◎
  • 被削材:P(一般鋼◎/炭素鋼◎/合金鋼◎/調質鋼・ダイス鋼◎)・M(ステンレス鋼◎)・K(鋳鉄◎/ダクタイル鋳鉄◎)・S(Ti合金◎/耐熱合金◎)
  • エンドミル適用加工:ヘリカル◎/隅削り◎/傾斜◎/溝◎/平面◎/倣い◎
  • Fig:1
注意事項
  • 本体にインサートは組み込んでありません。
  • カッタを選択する際、保持具取付サイズ(DCB)をご確認ください。
内容品・付属品 ●レンチ:TRDR15IP●皿ねじ:BFTX03584IP(3.0N・m)●焼付防止剤:SUMI-P
原産国
特記事項

この商品を見た人はこちらの商品も見ています