住友電気工業(株)

カッタチップ SEET13T3AGSR-G ACM200

  • 型番:SEET13T3AGSR-G ACM200
  • 発注コード:17J22
  • メーカー商品コード:144V980
  • JANコード:―
商品一覧へ
(サイズ・色違いなど)

仕切価格
標準価格 \1,600
 
注文単位 10個
  • ※12/15 23:30 時点の情報です

※1/1に下記価格に改定予定です

仕切価格
標準価格 \1,710

用途 ●汎用●高速・軽・汎用切削加工用
商品説明
  • 高硬度ステンレス鋼加工用。
  • 新開発の高強度超硬合金の採用により、耐摩耗性と耐熱性に優れ、高硬度ステンレス鋼加工で抜群の安定性を実現。
  • 独自のさらい刃形状で面粗さ向上。
  • 大きなすくい角と切れ刃すくい角で切れ味向上。
商品スペック
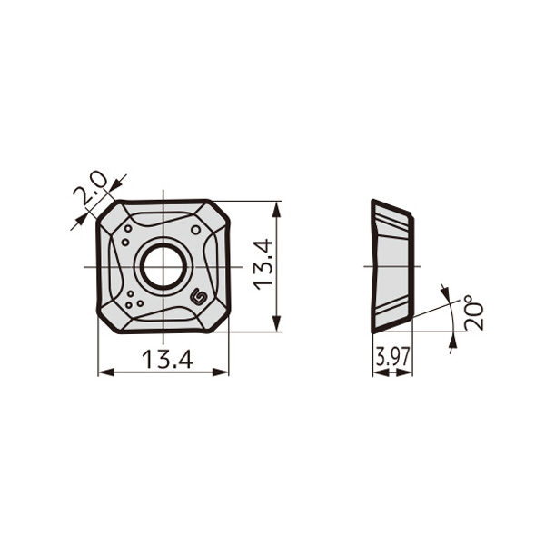
  • インサート形状[記号]:正方形[S]
  • 頂角(°):90
  • 逃げ角[記号](°):20[E]・30[G](さらい刃)
  • インサート厚さ[記号](mm):3.97
  • 厚さ許容差(mm):±0.025
  • 内接円許容差(mm):±0.025
  • 切刃長(mm):13.4
  • 切刃長記号:13
  • みぞ穴記号:T
  • 精度記号:E
  • 勝手[記号]:右[R]
  • 刃先処理形状[記号]:ネガランド+丸ホーニング[S]
  • 切込み角(°):45
  • 切込み角記号:A
  • 材質(コーティング):(ACM200)
  • 被削材:ステンレス鋼/難削材
  • Fig:1
注意事項
内容品・付属品
原産国
特記事項

この商品を見た人はこちらの商品も見ています