ダイキン工業(株)

モジュラースタック形絞り弁 MT-02T-65-G

  • 型番:MT-02T-65-G
  • 発注コード:16W75
  • メーカー商品コード:MT-02T-65-G
  • JANコード:―
商品一覧へ
(サイズ・色違いなど)

仕切価格
標準価格 \21,600
 
注文単位 1個
  • ※12/15 23:30 時点の情報です


用途
商品説明
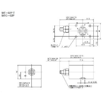
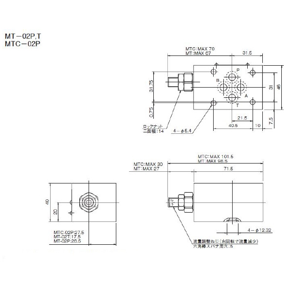
  • 02シリーズスタック形のP、Tポート絞り弁です。
商品スペック
  • 種類:モジュラースタック形絞り弁
  • 呼び径:1/4
  • 適合流体:石油系作動油、水・グリコール系作動油
  • オプション記号:流量調整ねじ形
  • チェック弁記号:チェック弁無
  • デザイン番号:MT-02※の場合
  • 制御ポート:Tポート
  • 流量調整ねじ取付方向:Aポート側調整
注意事項
  • 流量調整ねじを完全に締め込んだ状態でも、流量は零にはなりません。
  • Tポート絞りの場合は、電磁操作弁のタンクポート背圧が許容背圧以下になるようにしてください。
内容品・付属品
原産国
特記事項

この商品を見た人はこちらの商品も見ています