(株)ナベヤ

ロケーティングピン 11306-13005 廃番

  • 型番:11306-13005
  • 発注コード:NDJ19
  • メーカー商品コード:125171
  • JANコード:4904115230078
商品一覧へ
(サイズ・色違いなど)

仕切価格
標準価格 ¥6,650
 
注文単位 1個
  • ※3/11 23:30 時点の情報です


用途
商品説明
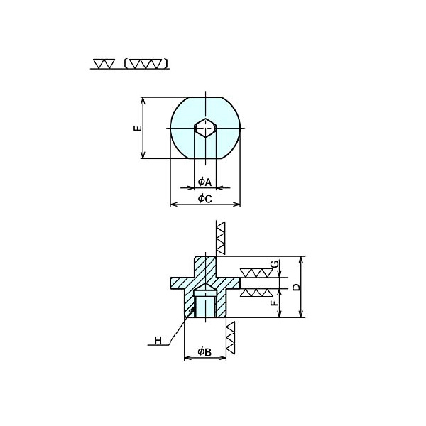
商品スペック
  • ネジ径:M8
  • ピン径(A) Ah6:5
  • ピン径(B) Bm6:15
  • C:25
  • D:22
  • E:22
  • F:10.5
  • G:4
  • H:M8
  • 質量g:26
  • 熱処理:焼入HRC60
  • 表面処理:黒染め
注意事項
  • <特記事項>>【画像注意事項】画像はロケーティングピンシリーズ画像を使用しています。
内容品・付属品
原産国
特記事項 ナベヤ(メーカー手配)に限り同一注文のメーカー定価合計が10,000円未満は送料1,000円です。サイト全体合計に適用しません。北海道・沖縄・離島は別途送料が発生します(送料は予告なく変更の場合あり)