(株)ナベヤ

Q-ロック内蔵プレート本体(エアー分割) MCQ0540A

  • 型番:MCQ0540A
  • 発注コード:BXO19
  • メーカー商品コード:122197
  • JANコード:4904115410920

仕切価格
標準価格 ¥1,990,000
 
注文単位 1個
  • ※3/11 23:30 時点の情報です


用途
商品説明
  • プレート取付タイプのQ-ロック内蔵エアー式のテーブルです。
  • 適合ブッシュとの組み合わせによりプレートの位置決め、ロックがワンタッチです。
  • 繰返し位置決め精度は3μmです。
商品スペック
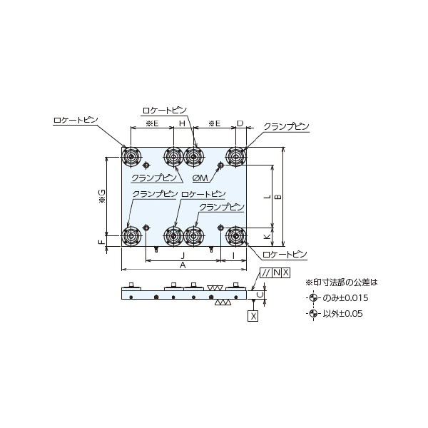
  • A:500
  • B:400
  • C:34
  • D:40
  • E:170
  • F:40
  • G:320
  • H:80
  • I:100
  • J:300
  • K:75
  • L:250
  • M:M12用
  • N:0.02
  • ロケートピン:QLT19RP
  • クランプピン:QLT19CP
  • 子プレート数:2
  • 質量(kg):56
  • 材質(プレート):S50C
  • 材質(Q-ロックエレメント):SCM440
  • 熱処理(Q-ロックエレメント):焼入HRC55
注意事項
内容品・付属品
原産国
特記事項